夜色网长尾关键词挖掘_弄的人家那里都是水_51免费吃瓜爆料黑料
今天是:
欢迎访问本网站!
123
Toggle navigation
首页
中心概况
新闻动态
规章制度
信息服务
下载专区
党建栏目
首页
>
规章制度
>
国家网络安全制度
正文
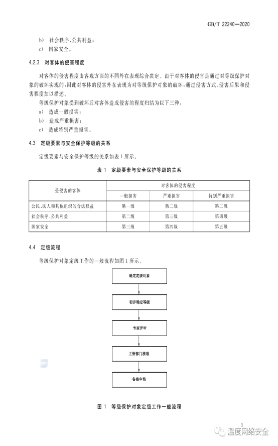
最新:等保2.0定级指南正式出台
日期:2020-06-17 10:41:47 发布人:
核发:0
点击数:
【
收藏本页
】
上一篇:
教育行业信息系统 安全等级保护定级工作指南(试行)
下一篇:
2020年最新版《个人信息安全规范》正式发布
返回首页
关闭页面
附件【
GBT 22240-2020(信息安全技术).pdf
】已下载
次
分享到
相关链接